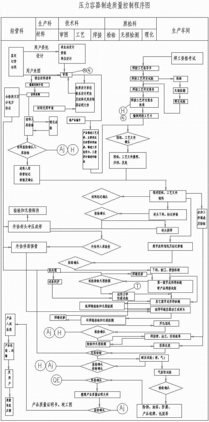
所銷售的:壓力容器制造廠家的壓力容器制造工藝及流程如下:
所銷售的:壓力容器制造廠家的壓力容器制造工藝及流程如上:
掃一掃關注我們
總經理:沈洪波 先生
銷售熱線:0510-85377888 13951588488
公司電話:0510-85188488
郵箱:13951588488@163.com
傳真:0510-85192226
地址:江蘇省無錫市濱湖區雪浪街道南湖中路17號
備案號:蘇ICP備14027369號-1